霍尼韦尔
IMU角度传感器
- 大臂角度、自动调平、防倾斜、防侧翻
惯性测量单元传感器
霍尼韦尔IMU 倾角传感器通过CAN J1939接口输出两轴(俯仰和横滚)的静态倾角数值。传感器可经过工厂标定零点偏移量。允许终端客户设定传感器的特定的安装指向、数据传输速率和选择总线地址。传感器倾角数据可以通过算法滤波、将振动的干扰降至最低,陀螺测量的角速度数据根据客户要求可以提供。

霍尼韦尔IMU 倾角传感器通过CAN J1939接口输出两轴(俯仰和横滚)的静态倾角数值。传感器可经过工厂标定零点偏移量。允许终端客户设定传感器的特定的安装指向、数据传输速率和选择总线地址。传感器倾角数据可以通过算法滤波、将振动的干扰降至最低,陀螺测量的角速度数据根据客户要求可以提供。
IMU 角度传感器报告车辆角速度、加速度和倾斜度数据。
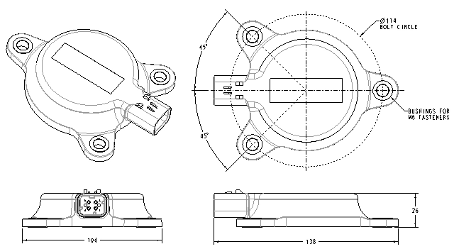
加固型 PBT 热塑性外壳设计,适于多种严苛的应用和环境(通过 IP67 和 IP69K 认证)。
对传感器原始数据进行高级过滤,最大程度地减少噪声和振动,提高定位精度。
支持 5 V 和 9 V 到 36 V 的车辆电源系统。
符合CAN J1939通讯协议。
| 品名 | IMU 角度传感器 |
|
电气参数 |
|
|
工作电压[v] |
9...36 DC |
| 电源电流[mA] | 100 |
| 测量/设定范围 | |
| 测量轴数量 | 2;(X/Y) |
| 角度范围[°] | ± 30 |
| 精度/偏差 | |
| 分辨率[°] | 0.058 Per PGN 61481 |
| 静态倾角误差[°] | ±0.5 Room Temp(~25°C);±2.6 -40°C...85°C, |
| 通信接口与协议 | |
| CAN SAEJ1939 CAN 29 | |
| 工作条件 | |
| 环境温度 [°C] | -40...85 |
| 存储温度 [°C] | -40...105 |
| 外壳防护等级 | IP67;IP69k(DIN40050-1993 标准)装有配对连接器 |
